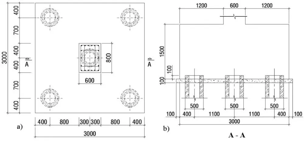
Tính cốt thép đài móng cọc chuẩn kỹ thuật 2026

Trong thiết kế kết cấu nhà cao tầng, việc tính toán cốt thép đài móng [...]

Tiêu chuẩn hàm lượng cốt thép tối thiểu trong bê tông 2026

Việc xác định chính xác hàm lượng cốt thép tối thiểu trong cấu kiện bê [...]

Quy trình nghiệm thu cốt thép móng chuẩn TCVN 4453:1995

Lưu ý: Nội dung dưới đây được biên soạn bởi chuyên gia kỹ thuật SANY [...]

Hàm lượng cốt thép tối thiểu trong cột theo TCVN 2026

Việc tính toán và kiểm soát hàm lượng cốt thép tối thiểu trong cột đóng [...]

Kỹ thuật cắt bê tông cốt thép tiêu chuẩn TCVN mới nhất 2026

Trong bối cảnh hạ tầng đô thị phát triển mạnh mẽ vào năm 2026, các [...]

Tiêu chuẩn chiều dài nối cốt thép kỹ thuật mới 2026

Trong lĩnh vực xây dựng dân dụng và công nghiệp, chiều dài nối cốt thép [...]

Tài liệu kết cấu be tông cốt thép pdf chuẩn kỹ thuật 2026

Trong kỹ thuật xây dựng hiện đại, việc nắm vững nguyên lý chịu lực của [...]

Bảng tra diện tích cốt thép chuẩn kỹ thuật 2024 – 2026

Trong kỹ thuật xây dựng dân dụng và công nghiệp, việc tra cứu bảng diện [...]

Công thức tính khối lượng cốt thép chuẩn kỹ thuật 2026

Trong kỹ thuật xây dựng hiện đại, việc xác định chính xác công thức tính [...]

Tiêu chuẩn neo cốt thép TCVN 5574:2018 và bảng tra 2026

Trong kết cấu bê tông cốt thép, việc đảm bảo khả năng truyền lực giữa [...]